服务热线:13052020865
首页
关于我们
产品中心
返回
厂房降温设备
返回
离心通风机
返回
玻璃钢防腐风机
返回
矿用风机
轴流风机
返回
排风扇,换气扇
不锈钢烟罩厨房排烟罩
屋顶风机
返回
PP塑料防腐风机
返回
客户案例
技术支持
返回
轴流风机
离心通风机
厂房降温设备
防腐风机
消防排烟风机
新闻资讯
返回
公司动态
技术支持
联系我们
在线留言
首页
关于我们
产品中心
返回
厂房降温设备
返回
离心通风机
返回
玻璃钢防腐风机
返回
矿用风机
轴流风机
返回
排风扇,换气扇
不锈钢烟罩厨房排烟罩
屋顶风机
返回
PP塑料防腐风机
返回
客户案例
技术支持
返回
轴流风机
离心通风机
厂房降温设备
防腐风机
消防排烟风机
新闻资讯
返回
公司动态
技术支持
联系我们
在线留言
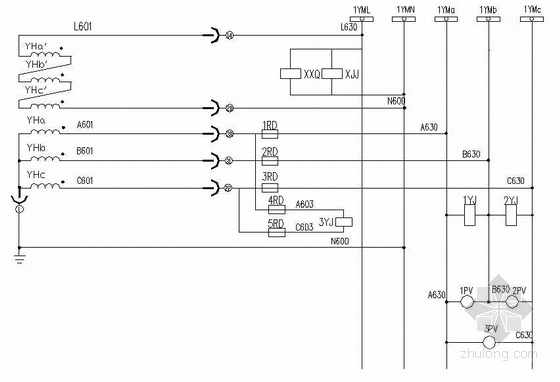
高压除尘风机控制原理图
栏目:技术支持
发布时间:2019-05-06
高压除尘风机控制原理图
高压
除尘风机
控制原理图
高压除尘风机控制原理图链接地址:http://www.sclongshun.com/article-91103-154924.html
上一篇:
新安装的风机试运行有哪些注意事项?
下一篇:
工业除尘风机的工作原理、安装、操作步骤及维护